Now back to the creation story of the vintage Altec Coronas.
The Corona's cabinets were custom-made for Altec by Glenn of California, which was a craft furniture maker producing furniture in the California Modernist style that was popular in the 1940s-1950s, and the art-furniture cabinets were one of the Corona's main selling points.
The California Modernist movement adapted European Modernism and International Style to suit the unique culture and climate of California, providing inspiration to architectural and design styles, including home furniture design, by prioritizing functionality, simplicity, and harmony with nature.
Customers could order Coronas, and they were styled to complement the Glenn of California furniture they had in their home, and as such they "disappeared" into room corners as functional furniture so they weren't too room-dominating. Corona loudspeakers were considered to be high-performance "art speakers" for a well-decorated Glenn of California-furnished home. What a cool idea.
When I saw my pair of vintage Altec Corona loudspeakers for sale at LA Jazz Audio, I was reminded of what Keith Aschenbrenner of Auditorium 23 had told me years ago: that the 803A Altec driver was one of his all-time favorite low-frequency drivers because of its detailed and articulate bass response, which of course added to the intrigue I had for this particular pair of Coronas.
Back in the day, Altec recommended the 803A drivers over the 515B low-frequency drivers - like I have in my A5s - for smaller venues and for home systems, as they had more presence.
The Corona's are fairly large speakers at 37 3/8" wide by 39” high by 24 3/8” deep, and weigh about 122 pounds each. However, they are smaller and less room dominating than their gigantic and more industrial cousins, the A5s and A7s.
The Corona's sold for $762 USD a pair in 1957, which in 2025 dollars would be about $7075 USD. A Chevrolet Corvette sold for $3176 USD in 1957 as a comparator.
Duelund CAST Crossovers for the Altec 832A Corona Loudspeakers
With my Coronas placed in room boundary positions, their performance is absolutely magic, with superb tone, startling dynamics, vivid presence, and a captivating musicality that I never seem to get tired of.
Well, until recently, that is. The components in the crossovers had aged out and needed to be replaced, as their sound quality had deteriorated. Time to build new crossovers.
Well, that brings us to the Duelund-Corona 832A Project crossovers that Frederik Carøe (Duelund Coherent Audio) and I have collaborated on.
It also brings us to the positive role that serendipity can play in a project. In this project the combination of state-of-the-art Duelund CAST copper capacitors and inductors, and a series of beneficial serendipitous recommendations from Frederik, Yazaki-san, and Pete Riggle, resulted in crossovers that provided a remarkable transformation of the performance of my Coronas.
Choosing a Crossover Circuit
The foundational first step in any crossover project is to get a copy of the circuit diagram for the loudspeakers' crossovers.
One can choose from a number of possible crossover circuits for vintage Altec loudspeakers, so as I was contemplating choosing a crossover circuit, I asked brilliant audio engineer and friend, Yazaki-san, about which crossover circuit he thought would best complement the Coronas.
Yazaki-san with friends in Tokyo.
Yazaki-san responded and told me that he thought the stock N800E crossover circuit would be the best choice for the Coronas.
He mentioned that the Altec engineers' crossover designs to complement the various Altec loudspeakers were actually quite brilliant, and they didn’t often get the recognition they deserved.
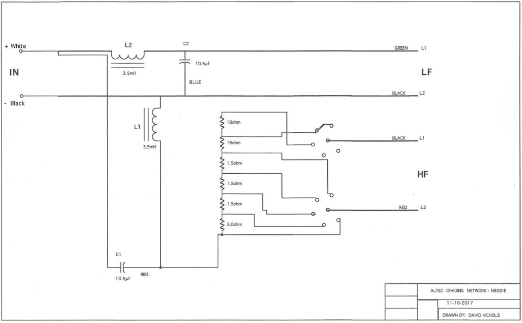
Altec N800E crossover schematic.
A big “Thank you!” to Yazaki-san, as his serendipitous recommendation of the N800E crossover circuit would turn out to yield pure gold results!
Choosing Crossover Components
The second foundational step in building crossovers is choosing the components that will make up the crossover circuit.
The only thing holding back the ultimate performance the Altec N800E crossover circuit was the quality of components Altec used.
With Frederik's state-of-the-art Duelund CAST components, I knew I would get the best possible performance possible from the N800E circuit.
In looking at the N800E circuit, I could see I would need two 10.5uF capacitors for C1 and C2, and two 3.5mH inductors for L1 and L2.
In the N800E high-frequency circuit, Altec used an adjustable resistance network like they did for their pro audio crossovers, which allowed listeners to balance the output of the high-frequency 802D compression driver plus 811B high-frequency horn to the output of 803A low-frequency driver for differing conditions, such as different rooms, various loudspeaker placement strategies, or to the listeners’ tastes.
The N800E adjustable resistance network allowed for attenuation of the high-frequency circuit output in 1.5 dB steps from zero to six dB. In my room, I typically used attenuation in the 1.5 to 3 dB range to balance the high-frequency output to the low-frequency output for my room, associated equipment, and tastes.
I love the variable attenuation feature that Altec included in its crossovers to increase their loudspeakers adaptability to any room or loudspeaker placement, and I wanted to keep that feature in the new Duelund CAST crossovers.
Please click on the link below to go to the next page.





























